Leptir ventil sa tvrdom brtvom tipa vafla
Leptir ventil sa tvrdom brtvom
Leptir ventil sa tvrdom zaptivkom tipa oblata: usvaja precizan elastični zaptivni prsten u obliku slova J i troslojnu višeslojnu metalnu strukturu sa čvrstim brtvljenjem. Široko se koristi u metalurgiji, elektroenergetici, petrohemijskoj industriji, vodosnabdijevanju i odvodnji, te komunalnoj gradnji gdje je temperatura medija manja ili jednaka 425 stepeni. Na industrijskim cjevovodima, koristi se za regulaciju protoka i nošenje i razbijanje tekućina. Ventil ima trostruku ekscentričnu strukturu, a sjedište ventila i zaptivne površine diska izrađene su od nehrđajućeg čelika različite tvrdoće. Ima dobru otpornost na koroziju, dug radni vijek i funkciju dvosmjernog brtvljenja. Proizvod zadovoljava standarde za ispitivanje tlaka ventila.
1. Ovaj ventil ima troekscentričnu zaptivnu strukturu, gotovo bez trošenja sjedišta ventila i leptiraste ploče, i ima funkciju brtvljenja koja postaje čvršća dok gledate.
2. Brtveni prsten je izrađen od nehrđajućeg čelika, koji ima dvostruke prednosti metalnog tvrdog zaptivanja i elastičnog zaptivanja. Ima odlične performanse zaptivanja bez obzira pod niskim ili visokim temperaturama, a ima karakteristike otpornosti na koroziju i dug životni vijek.
3. Zaptivna površina diska je izrađena od tvrde legure na bazi kobalta. Brtvena površina je otporna na habanje i ima dug vijek trajanja.
4. Leptir ploča velike veličine ima strukturu prošivenog okvira, koja ima visoku čvrstoću, veliku površinu protoka i mali otpor protoka.
5. Ovaj ventil ima funkciju dvosmjernog zaptivanja. Nije ograničen smjerom protoka medija niti je pod utjecajem prostornog položaja tokom instalacije. Može se instalirati u bilo kojem smjeru.
6. Uređaj za vožnju se može instalirati u više položaja (rotiran za 90 stepeni ili 180 stepeni), što ga čini pogodnim za upotrebu za korisnike.
7. Standardi proizvodnje: JB/T8527-97
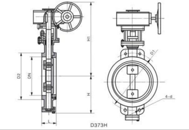
Glavni tehnički parametri
|
Nazivni prečnik DN(mm) |
50-2000 |
|||
|
Nazivni pritisak PN(MPa) |
0.6 |
1.0 |
1.6 |
2.5 |
|
Test zaptivanja (MPa) |
0.66 |
1.1 |
1.76 |
2.75 |
|
Ispitivanje čvrstoće (MPa) |
0.9 |
1.5 |
2.4 |
3.75 |
| odgovarajuću temperaturu |
ugljenični čelik:-29 stepen -425 stepen čelik:-40 stepen -650 stepen |
|||
| Primjenjivi mediji | Voda, vazduh, prirodni gas, nafta i slabo korozivne tečnosti | |||
| Stopa curenja |
GB/T{0}} |
|||
| Način vožnje | Pužni pogon, električni, pneumatski, hidraulični | |||


|
Nazivni prečnik (DN) |
veličina |
veličina prirubnice i veličina matice |
|||||||||||
|
1.0MPa |
1.6MPa |
2.5MPa |
|||||||||||
|
L |
L2 |
H |
H1 |
D1 |
Z-D |
A |
D1 |
Z-D |
A |
D1 |
Z-D |
A |
|
|
50 |
43 |
265 |
350 |
112 |
125 |
4-18 |
90 stepeni |
125 |
4-18 |
90 stepeni |
125 |
4-18 |
90 stepeni |
|
65 |
46 |
265 |
370 |
115 |
145 |
4-18 |
90 stepeni |
145 |
4-18 |
90 stepeni |
145 |
4-18 |
90 stepeni |
|
80 |
49 |
320 |
380 |
120 |
160 |
8-18 |
45 stepeni |
160 |
8-18 |
45 stepeni |
160 |
8-18 |
45 stepeni |
|
100 |
56 |
320 |
420 |
138 |
180 |
8-18 |
45 stepeni |
180 |
8-18 |
45 stepeni |
190 |
8-22 |
45 stepeni |
|
125 |
64 |
340 |
460 |
164 |
210 |
8-18 |
45 stepeni |
210 |
8-18 |
45 stepeni |
220 |
8-26 |
45 stepeni |
|
150 |
70 |
390 |
555 |
175 |
240 |
8-22 |
45 stepeni |
240 |
8-22 |
45 stepeni |
250 |
8-26 |
45 stepeni |
Upute za naručivanje leptir ventila sa tvrdom brtvom tipa oblatne:
1. Odabir proizvoda: Ako postoje specificirani standardi modela, pozovite prodajnu liniju uživo da se raspitate o cijeni i saznate više!
2. Tehnička podrška: Ako specifikacije modela proizvoda nisu specificirane, molimo pošaljite zahtjeve radnih uslova, crteže dizajna i tehničke specifikacije našoj kompaniji faksom ili e-poštom.
3. Opis parametra: Molimo navedite prečnik (DN), nazivni pritisak (Mpa), temperaturu (stepen), način povezivanja (navoj, prirubnica, stezaljka, itd.) i način vožnje.
4. Način vožnje: ručni, pužni, pneumatski, električni itd.
5. Standardi proizvoda: nacionalni standard GB, japanski standard JIS, američki standard ANSI, njemački standard DIN, itd.
6. Potvrda ponude: Kompanija dostavlja listu ponuda i opis tehničkog standarda kupcu na potvrdu, a ugovor će biti sastavljen nakon što obje strane potvrde sve tehničke aspekte.
Popularni tagovi: oblatni leptir ventil s tvrdom brtvom, Kina proizvođači leptir ventila s tvrdom brtvom, dobavljači, tvornica, автоматик клапан, диафрагма клапаны, өс яҡлы клапан, ике яҡлы клапан, ҡойолған тимер клапан, газ өсөн клапан
You Might Also Like
Pošaljite upit


